| Produkto kodas | Kėlimo galia, t | Sijos plotis, mm | Svoris, kg |
| SG1000 | 1,000 | 75-220 | 3.8 |
| SG2000 | 2,000 | 75-220 | 4.6 |
| SG3000 | 3,000 | 80-320 | 9 |
| SG5000 | 5,000 | 80-320 | 11 |
| SG10000 | 10,000 | 80-320 | 16 |
| SG20000 | 20,000 | 90-370 | 39.6 |
– padengimas: dažymas;
– atsargos koeficientas 4 : 1;
– CE-ženklinimas;

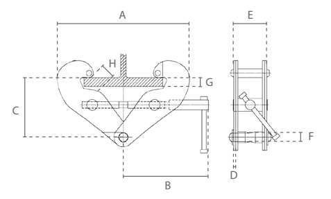
| Kėlimo galia, t | A min., mm, | A maks., mm | B, mm | C min., mm | C maks., mm | D, mm | E, mm | F, mm | G maks., mm | H, mm |
| 1,000 | 180 | 360 | 215 | 102 | 155 | 5 | 74 | 22 | 22 | 25 |
| 2,000 | 180 | 360 | 215 | 102 | 155 | 6 | 74 | 22 | 22 | 25 |
| 3,000 | 235 | 490 | 260 | 140 | 225 | 8 | 103 | 24 | 32 | 37 |
| 5,000 | 235 | 490 | 260 | 140 | 225 | 10 | 120 | 28 | 32 | 37 |
| 10,000 | 320 | 505 | 260 | 170 | 225 | 12 | 120 | 40 | 36 | 40 |
| 20,000 | 512 | 713 | 431 | 315 | 361 | 16 | 196 | 70 | 63 | 40 |




