| Produkto kodas | Tempimo galia 1-asis sluoksnis, t | Tempimo galia viršutinis sluoksnis, t | Didžiausias leistinas greitis, m/min | Lyno vyniojimo greitis, m/min | Lyno konstrukcija, m x Ømm | Energijos sąnaudos (kW 12V / 24V) | Svoris, kg |
| ZH.0.DDC9000 | 4,080 | 2,810 | 26 | 2,3 | 28 x 8 | 4,4 / 6 | 39 |
| ZH.0.DDC12000 | 5,440 | 3,400 | 24 | 2,1 | 26 x 9,5 | 5 / 6,4 | 44 |
| ZH.0.DDC15000 | 6,810 | 4,020 | 24 | 1,3 | 26 x 11,5 | 5,3 / 7,1 | 70 |
| Darbinė įtampa | 12V / 24V | |
| Greitis | Vienas greitis | |
| Kabelis | Plieninis lynas | |
| Valdymo kabelis | 1 metras | |
| Maitinimo kabelis | 1 metras su akumuliatoriaus jungtimis | |
| Korpuso apsauga | IP 68 | |
| Valdymo apsauga | IP 65 | |
| Darbinė temperatūra | -20°C iki +85°C | |
| Apsauga nuo perkrovos | Nėra apsaugos nuo perkrovos | |
| Stabdis | Mechaninis stabdis | |
| Ribinis jungiklis | Be ribinio jungiklio | |

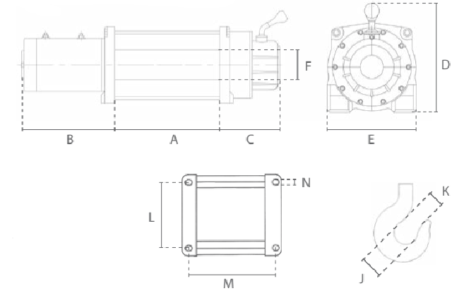
| Produkto kodas | A, mm | B, mm | C, mm | D, mm | E, mm | F, mm | J, mm | K, mm | L, mm | M, mm | N, mm |
| ZH.0.DDC9000 | 226 | 209 | 142 | 184 | 168 | 76 | 37 | 33 | 114 | 254 | 11 |
| ZH.0.DDC12000 | 226 | 209 | 144 | 184 | 168 | 86 | 49 | 39 | 114 | 254 | 12 |
| ZH.0.DDC15000 | 223 | 233 | 149 | 240 | 216 | 88 | 49 | 39 | 114 | 254 | 12 |









